IR2153 Switch Mode Power Supply Circuit with Dual Rail Output for Audio Power Amplifier 400W 50-0-50Volts
IR2153 Switch Mode Power Supply Circuit with Dual Rail Output for Audio Power Amplifier 400W 50-0-50Volts
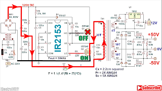
IR2153 SMPS Circuit Diagram
![]() |
| IR2153 Switch Mode Power Supply Circuit with Dual Rail Output for Audio Power Amplifier 400W 50-0-50Volts electrobuff.blogspot.com |
In today's video I'll show you how to make a Switch mode power supply with a dual rail output voltage of +-50V and a power output of up to 400Watts. The project circuit is based on the IR2153 Half bridge driver IC, which needs only a handful of components to bias and is quite reliable for such a circuit. With this, you can easily power an Audio Power Amplifier with ease, it also features an auxiliary output of 12V for any low power circuitry.
Watch my YouTube Video Tutorial
![]() |
| IR2153 half bridge driver ic frequency, features and uses electrobuff.blogspot.com |
![]() |
| IR2153 half bridge driver ic internal block diagram electrobuff.blogspot.com |
![]() |
| IR2153 Switch Mode Power Supply Circuit with Dual Rail Output for Audio Power Amplifier 400W 50-0-50Volts electrobuff.blogspot.com |
![]() |
| IR2153 Switch Mode Power Supply Circuit with Dual Rail Output for Audio Power Amplifier 400W 50-0-50Volts electrobuff.blogspot.com |
![]() |
| IR2153 Switch Mode Power Supply Circuit with Dual Rail Output for Audio Power Amplifier 400W 50-0-50Volts electrobuff.blogspot.com |
![]() |
| IR2153 Switch Mode Power Supply Circuit with Dual Rail Output for Audio Power Amplifier 400W 50-0-50Volts electrobuff.blogspot.com |
![]() |
| IR2153 Switch Mode Power Supply Circuit with Dual Rail Output for Audio Power Amplifier 400W 50-0-50Volts electrobuff.blogspot.com |
![]() |
| IR2153 Switch Mode Power Supply Circuit with Dual Rail Output for Audio Power Amplifier 400W 50-0-50Volts electrobuff.blogspot.com |
![]() |
| IR2153 Switch Mode Power Supply Circuit with Dual Rail Output for Audio Power Amplifier 400W 50-0-50Volts electrobuff.blogspot.com |
![]() |
| IR2153 Switch Mode Power Supply Circuit with Dual Rail Output for Audio Power Amplifier 400W 50-0-50Volts electrobuff.blogspot.com |
![]() |
| IR2153 half bridge driver ic frequency formula calculation electrobuff.blogspot.com |
![]() |
| IR2153 half bridge driver ic PINOUT electrobuff.blogspot.com |
![]() |
| IR2153 Switch Mode Power Supply Circuit with Dual Rail Output for Audio Power Amplifier 400W 50-0-50Volts electrobuff.blogspot.com |
![]() |
| IR2153 Switch Mode Power Supply Circuit with Dual Rail Output for Audio Power Amplifier 400W 50-0-50Volts electrobuff.blogspot.com |
![]() |
| IR2153 Switch Mode Power Supply Circuit with Dual Rail Output for Audio Power Amplifier 400W 50-0-50Volts electrobuff.blogspot.com |
![]() |
| IR2153 Switch Mode Power Supply Circuit with Dual Rail Output for Audio Power Amplifier 400W 50-0-50Volts electrobuff.blogspot.com |
![]() |
| IR2153 Switch Mode Power Supply Circuit with Dual Rail Output for Audio Power Amplifier 400W 50-0-50Volts electrobuff.blogspot.com |
![]() |
| schottky diode high frequency rectifier electrobuff.blogspot.com |
![]() |
| Inductor filter electrobuff.blogspot.com |
![]() |
| ferrite transformer electrobuff.blogspot.com |
![]() |
| enameled magnet wire electrobuff.blogspot.com |























Leave a Comment