IR2153 Switch Mode Power Supply with Dual Rail Output for Audio Amp
Switching Mode Power Supply with IR2153 for Audio Power Amplifier with Dual Rail Output Voltage
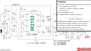
Complete Circuit Diagram
![]() |
| IR2153 SMPS CIRCUIT FOR AUDIO POWER AMPLIFIER DUAL RAIL OUTPUT VOLTAGE |
Hey and welcome all. In today's video I'll show you how to make a Switch mode power supply with a dual rail output voltage of +-50V and a power output of up to 400Watts. The project circuit is based on the IR2153 Half bridge driver IC, which needs only a handful of components to bias and is quite reliable for such a circuit. With this, you can easily power an Audio Power Amplifier with ease, it also features an auxilliary output of 12V for any low power circuitry.
.png)
.png)
.png)
.png)
.png)
.png)
.png)
.png)
.png)
.png)
.png)
.png)
.png)
.png)
.png)
.png)
.png)
.png)
.png)
.png)
.png)
.png)
.png)


Leave a Comment